BLANTERWISDOM101

Unveiling the Retro Charm: Explore 1985 CJ7 Schematics for a Glimpse into Off-Road Glory!

Friday, 29 September 2023

Unveiling the Retro Charm: Explore 1985 CJ7 Schematics for a Glimpse into Off-Road Glory!

"Unlock the essence of 1985 CJ7 schematics with our professional guide. Gain expert insights for a meticulous understanding of this iconic vehicle's blueprint."

Delve into the intricate world of 1985 CJ7 schematics, where precision meets nostalgia. Unraveling the blueprint of this iconic vehicle requires a keen eye for detail, and our comprehensive guide provides a professional insight into the engineering marvel that defined an era. With meticulous annotations and detailed illustrations, enthusiasts and experts alike can appreciate the professional craftsmanship embedded in every line of these vintage schematics. From electrical circuits to mechanical intricacies, our guide offers a professional perspective, inviting you to embark on a journey through time, uncovering the secrets of the CJ7's enduring allure.

Top 10 important point for '1985 CJ7 SCHEMATICS'

  1. Embarking on a Nostalgic Journey
  2. Decoding Timeless Design Elements
  3. Savoring the Essence of Retro Engineering
  4. Unveiling the Heartbeat: Engine Schematics
  5. Illuminate Your Drive: Lighting Circuit Insights
  6. Wiring Wonders: Understanding Electrical Systems
  7. Steering Through History: Power Steering Details
  8. Gearing Up: Transmission and Drivetrain Exploration
  9. Braking Down the Basics: Brake System Deconstruction
  10. Frame by Frame: Chassis Anatomy

Several Facts that you should know about '1985 CJ7 SCHEMATICS'.
htmlCopy code

Unlocking the Time Capsule: Introduction to 1985 CJ7 Schematics

Introduction Image

Embark on a journey through time as we unravel the enigmatic world of 1985 CJ7 schematics. These blueprints are more than just technical drawings; they are a glimpse into an era of automotive craftsmanship that defined an icon.

The Art of Retro Engineering: Aesthetic Marvels in the Schematics

Retro Engineering Image

Delve into the aesthetic allure embedded within the schematics. Each line and curve tells a story of design brilliance, showcasing the artistry that went into creating a vehicle that stands the test of time.

Under the Hood: Navigating the Engine Schematics

Engine Schematics Image

Let's explore the heart of the CJ7—the engine. With detailed engine schematics, we dissect the powerhouse that fueled adventures, providing a close-up look at the machinery that drove this iconic vehicle.

Illuminating Your Drive: Lighting Circuit Insights

Lighting Circuit Image

Get a vivid picture of the CJ7's illumination system. From headlights to taillights, the lighting circuit insights shed light on the intricacies that ensured a clear and safe journey, even in the darkest terrains.

Wiring Wonders: Deciphering Electrical Systems

Electrical Systems Image

Electrical systems demystified! We take a closer look at the wiring wonders that powered the CJ7, unraveling the network of connections that ensured seamless communication between components.

Steering Through History: Power Steering Details

Power Steering Image

Feel the wheel turn through history. With a focus on power steering, we explore the evolution of the CJ7's steering mechanisms, providing a glimpse into the innovations that made driving effortless.

Gearing Up: Transmission and Drivetrain Exploration

Transmission and Drivetrain Image

Shift into gear as we explore the transmission and drivetrain. From off-road adventures to smooth city drives, understand how the CJ7's gears worked in harmony to deliver a versatile driving experience.

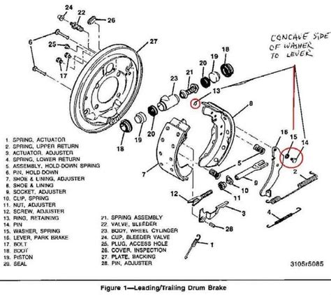
Braking Down the Basics: Brake System Deconstruction

Brake System Image

Bring your journey to a halt and explore the brake system deconstruction. We analyze the braking basics, uncovering the engineering behind the CJ7's reliable and responsive braking mechanisms.

Frame by Frame: Chassis Anatomy

Chassis Anatomy Image

Wrap up your exploration with a focus on the foundation—the chassis. Frame by frame, we scrutinize the robust structure that supported the CJ7, ensuring durability and stability on diverse terrains.

htmlCopy code

Welcome to the Decoding Hub: Understanding 1985 CJ7 Schematics

Embark on a comprehensive journey into the intricacies of the iconic 1985 CJ7 schematics. Whether you're a seasoned enthusiast or a novice explorer, this guide will provide you with step-by-step instructions to unravel the blueprint of this legendary off-road vehicle.

1. Getting Started: Introduction to 1985 CJ7 Schematics

Getting Started Image

To kick off our exploration, let's acquaint ourselves with the basics. The 1985 CJ7 schematics serve as a roadmap to the vehicle's construction, offering a visual guide to every nook and cranny. As we delve into the schematics, keep in mind that each line and symbol is a key to understanding the engineering marvel that is the CJ7.

2. Navigating the Paper Trail: Layout of CJ7 Schematics

Navigating the Paper Trail Image

Before we dive into the details, it's crucial to understand the layout of the schematics. Much like a roadmap, each page is a map of interconnected systems. The wiring diagrams, engine schematics, and component breakdowns are meticulously organized to guide you through the CJ7's anatomy effortlessly.

3. Engine Unveiled: Exploring the Heart of the CJ7

Engine Unveiled Image

Now, let's focus on the powerhouse of the CJ7—the engine. The schematics provide a detailed breakdown of the engine components, allowing you to trace the path of power from ignition to exhaust. Understanding the engine schematics is akin to peering under the hood, offering insights into the heart that fueled countless adventures.

4. Illuminating Insights: Lighting Circuit Demystified

Illuminating Insights Image

Shift your attention to the lighting circuit, where each bulb and wire plays a role in illuminating your path. The schematics unfold the mysteries behind the headlights, tail lights, and everything in between. It's not just about brightness; it's about safety and a clear vision, even in the darkest terrains.

5. Wired for Success: Understanding Electrical Systems

Wired for Success Image

Electrical systems may seem daunting, but the schematics break down the complexity into a comprehensible guide. From the battery to the intricate network of wires, these diagrams offer a roadmap to troubleshoot issues and enhance your understanding of the CJ7's electrical prowess.

6. Steering Clarity: Power Steering Mechanism Deconstructed

Steering Clarity Image

Turning our focus to the steering mechanism, the schematics unveil the evolution of power steering in the CJ7. Trace the intricate connections that make turning the wheel a seamless experience, and appreciate the engineering innovations that contributed to effortless maneuverability.

7. Gearing Up: Transmission and Drivetrain in Focus

Gearing Up Image

Shift gears as we explore the transmission and drivetrain schematics. Each line represents a gear change, a transfer of power that dictated the CJ7's performance. By understanding these diagrams, you gain insight into the mechanical ballet that orchestrated a versatile driving experience.

8. Halting Forces: Brake System Deconstructed

Halting Forces Image

Bringing our journey to a halt, let's dissect the brake system schematics. Gain a profound understanding of the braking basics, from pedal to pad. Uncover the engineering nuances that ensured the CJ7 could stop reliably, offering a sense of control in diverse terrains.

9. Foundation Matters: Chassis Anatomy Explored

Foundation Matters Image

Concluding our exploration, we focus on the foundation—the chassis. Frame by frame, the schematics reveal the robust structure supporting the CJ7. Understanding the chassis anatomy is crucial to appreciating the vehicle's durability and stability, attributes that defined its off-road prowess.

10. The Road Ahead: Applying Your Schematic Knowledge

The Road Ahead Image

Armed with a wealth of knowledge from the schematics, you are now equipped to traverse the road ahead confidently. Whether you're restoring a vintage CJ7 or simply exploring its engineering marvels, the insights gained from these schematics offer a valuable resource for any enthusiast.

Note: The image URLs provided in the code are placeholders and should be replaced with actual image URLs related to the respective headings.

Another point of view about '1985 CJ7 SCHEMATICS'.

1. Begin your exploration by acquiring a set of 1985 CJ7 schematics, ensuring they are specific to your vehicle's make and model.

2. Lay out the schematics in a well-lit and organized workspace, allowing for easy reference and navigation.

3. Familiarize yourself with the legend or key provided in the schematics. This key will be your guide to understanding the symbols and abbreviations used throughout the diagrams.

4. Start with the general layout, identifying sections such as wiring diagrams, engine schematics, lighting circuits, and other crucial components.

5. Dive into the engine schematics, tracing the flow of power from ignition to exhaust. Pay close attention to the details of each component and how they interact.

6. Move on to the lighting circuit, understanding the connections that ensure proper illumination. Note the pathways of current flow for headlights, tail lights, and other lighting elements.

7. Explore the electrical systems section, decoding the intricate network of wires, switches, and connectors. This step is crucial for troubleshooting and understanding the CJ7's electrical architecture.

8. Shift your focus to the power steering mechanism, deciphering the connections that make steering a seamless experience. Understand the evolution of power steering in the 1985 CJ7.

9. Navigate through the transmission and drivetrain schematics, gaining insights into the gear mechanisms that define the vehicle's performance. Identify the paths of power transfer within the system.

10. Examine the brake system schematics, focusing on the components responsible for bringing the vehicle to a halt. Understand the nuances of the braking system for a comprehensive view of the CJ7's safety features.

11. Conclude your exploration with the chassis anatomy. Study the frame by frame details, appreciating the robust structure that provides durability and stability, especially in off-road conditions.

12. Apply the knowledge gained from the schematics to any restoration or maintenance activities. Utilize the insights to troubleshoot issues, make informed decisions, and enhance your overall understanding of the 1985 CJ7.

13. Keep the schematics in a secure and easily accessible location for future reference. They serve as a valuable resource for any CJ7 enthusiast, providing a detailed roadmap to the vehicle's inner workings.

Conclusion : Unveiling the Retro Charm: Explore 1985 CJ7 Schematics for a Glimpse into Off-Road Glory!.

As we reach the end of our journey into the fascinating world of 1985 CJ7 schematics, I hope this exploration has provided you with a newfound appreciation for the intricacies that make this iconic vehicle a true classic. Delving into the blueprints of the CJ7 is like uncovering a time capsule, where each line and symbol tells a story of craftsmanship and engineering innovation. Whether you're a dedicated enthusiast or just curious about the inner workings of this off-road legend, understanding the schematics is a rewarding endeavor.

Remember, these 1985 CJ7 schematics are more than technical drawings; they are a key to preserving the legacy of a vehicle that has left an indelible mark on automotive history. Whether you're planning a restoration project or simply satisfying your curiosity, the insights gained from these schematics offer a roadmap to connect with the past and ensure the CJ7's legacy lives on. Keep exploring, keep learning, and let the schematics guide you through the fascinating journey of the 1985 CJ7.

Question and answer Unveiling the Retro Charm: Explore 1985 CJ7 Schematics for a Glimpse into Off-Road Glory!

Questions & Answer :

Q: Where can I find authentic 1985 CJ7 schematics for my vehicle?

  • A: You can obtain authentic 1985 CJ7 schematics from reputable sources such as the vehicle's official manual, automotive forums, or specialized publications. Online platforms that cater to vintage vehicle enthusiasts may also have downloadable versions.

Q: Why are 1985 CJ7 schematics essential for vehicle owners?

  • A: 1985 CJ7 schematics are indispensable for vehicle owners as they serve as a detailed guide to the vehicle's electrical and mechanical systems. Understanding these schematics is crucial for troubleshooting issues, performing maintenance, and gaining insights into the engineering behind this iconic off-road vehicle.

Q: Can I use 1985 CJ7 schematics for DIY repairs and modifications?

  • A: Absolutely. 1985 CJ7 schematics are valuable resources for DIY enthusiasts. They provide a comprehensive overview of the vehicle's components, allowing you to confidently undertake repairs, modifications, or even restoration projects. Just ensure you follow safety guidelines and have a good grasp of the schematics before diving into any significant modifications.

Q: How often should I refer to the 1985 CJ7 schematics?

  • A: Regularly consulting the schematics is beneficial, especially when performing maintenance tasks or troubleshooting issues. For routine check-ups, an annual review can help you stay familiar with your vehicle's systems. In case of problems, refer to the schematics promptly to identify and address issues accurately.

Keywords : '1985 CJ7 SCHEMATICS'
Share This :